延时开关

延时开关

延时开关是一种新型的节能的灯具开关,是为了响应节约能源、电能资源的号召而研发出来的一种自动延时的电子开关,其特点是比较方便、实用、主要用于卫生间、走廊及楼道等产所。
目录
1延时开关原理

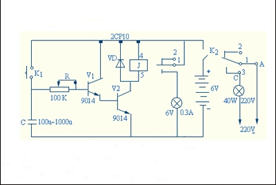
  (如图)将电源开关K2闭合,再按下按钮开关K1,这时,晶体二极管V1、V2导通,继电器吸合。同时电源对电容器C充电。当K1断开后由于C已被充电,它将通过R和V1V2放电,从而维持三极管继续导通,继电器仍然吸合。经过一段时间的放电,C两极间电压下降到一定值时,不足以维持三极管继续导通,继电器才释放。从K1断开到继电器释放的时间间隔称为延时时间。它决定于R和C的大小。一般C为100微法时,调节可调电阻器R可获得10秒至90秒的延时时间。若C取1000微法,则延时时间可达5分钟以上。

  继电器上并联的二极管起保护作用,防止继电器断电释放时,由于自感产生高电压损坏晶体三极管。

2延时开关特点

  特点1:方便性

  当然们走到一定的区域是,可以通过声线、触摸开关从而点亮灯具,然后照亮前方的路,而人又不需要在回头关灯,因为灯具会在人离开后的30到75秒内自动关闭,比较方便。

  特点2:节约资源

  在中国,人口居多,如果一个人浪费一点,中国十几亿人口那么就浪费了很多的电能了,而延时开关会人们离开后自动关闭,不需要人们去手工关闭,避免了浪费,节约了电能。

  特点3:安全无害

  无论是声线开关还是触摸开关,其使用的都是36V以下的电能,是属于人体安全电压,对人体无害。

3延时开关选购

  1.看质量:好的开关质地比较好,色泽光亮,边上没有什么毛刺。

  2.看外观:好的开关一般都是能抗压看变形的。

  3.看品牌:选着一个好的品牌,对售后的服务都是有保障的。

  4.看包装:一个好的开关,外包装的商标、额定电压、厂址等等都是印的非常清楚的,如果印的不清楚的话基本上可以判定是劣质的了。

4延时开关安装

  延时开关的安装与普通开关的不同,必须注意区分火线与零线,并且不同的延时开关所安装的位置也不同。一般的有要求两端分别接火线和零线的,也有要求两端接火线出及火线入的。

  一般家里的电线红色的那根为火线,蓝色的为零线,只要将火线与零线分别接到开关上即可。若是遇上一端接火线入一端接火线出,那么要先将火线接到开关的火线入的端口,火线出再接电灯的一端,并且要注意不能接日光灯及荧光灯,电灯的一端再接零线。这里必须注意不能将开关与灯的位置交换,否则比如一些触摸式延时开关接上去就会无效,你手放上去它亮,一拿掉便灭了,即延时开关不灵 ,延时开关不延时的现象,火线的出入接口接反也会导致这种结果。安装时准备好螺丝刀,并且先切断电源即可。延时开关一般都是由电工安装的,如果消费者自己不了解怎么安装,千万不要自行安装。

5延时开关价格
相关词条: