首页 装修流程 材料订购 可视对讲门禁系统原理说明 可视对讲门禁系统接线图

可视对讲门禁系统原理说明 可视对讲门禁系统接线图

2020-06-23 05:49:26 作者:蜂蜜柚子

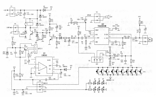
  您知道可视对讲门铃的原理是什么吗?变压器次级输出的交流低压经桥式整流、电容滤波、7812稳压,得到+12V直流电压,经插座Vl输入,一路直接给继电器K供电,另一路经D3隔离,产生VCC给其他电路供电。可视对讲门铃如何接线呢?下面小编就详细为您介绍。

  可视对讲门禁系统原理说明

  下图是该对讲门铃的主电路,二图是室内话机部分。

  变压器次级输出的交流低压经桥式整流、电容滤波、7812稳压,得到+12V直流电压,经插座Vl输入,一路直接给继电器K供电,另一路经D3隔离,产生VCC给其他电路供电。

  当户外有人按下按键S1~S10之一时,如按下的是Sl,此时Q5基极通过R17、插座V6①脚经Sl、话机开关SA②、③脚,喇叭LB到地,形成电流通路,相当于把R17下端接地,故Q5基极为低电平,Q5饱和导通,音乐lC②脚有触发高电平,其③脚输出音乐信号,经Ul(LM386)放大后,由Ul⑤脚输出,经V6①脚、Sl,话机又簧开关SA②、③脚送到喇叭LB,使之发出声音。由于话机开关SA的特殊结构,该音频信号还可耦合至话机开关SA④脚,再经插座V3②脚耦合至U2(TDA2822M)⑦脚,放大后由①脚输出,使按门铃者也可以听到LB1发出的声音。主人听到LB发出的声音后,摘下话机,屋内与户外的二人可以通话。MIC1拾取的声音信号送入U2⑥脚,放大后由③脚输出,经插座V3①脚、话机上的C3,话机开关SA①、③脚耦合到喇叭LB,主人可听到对方的说话声。VCC经主电路的R5降压后,再经插座V3②脚给室内话机的MIC2和Ql供电。主人的说话声经MIC2拾取、Ql放大后,又经话机开关SA④、⑥脚,插座V3②脚送至U2⑦脚,放大后由①脚输出,推动喇叭LB1发声,从而实现二人间的通话。

  主人摘下话机后,插座V6①脚到地的通路就切断了,R17下端恢复了高电平,Q5截止,音乐lC和Ul都停止工作。插座V3①脚由于开锁开关SB的断开,通常是高电平,稳压管ZD1处于击穿状态,Ql饱和,Q2截止,继电器K不吸合门无法打开。当主人按下开锁开关SB后,V3①脚接地,ZD1截止,Ql截止,Ql集电极的高电平经Cll耦合到Q2基极,Q2饱和,继电器K得电,触点闭合,电磁锁LOCK得电动作,楼宇门打开。



  二、可视对讲系统门铃故障维修

  按下Sl~Sl0中的任意一键,若能听到门铃声,说明Q5、音乐IC和Ul工作基本正常。

  双方能通话,说明U2和室内话机工作基本正常。

  插座V3①脚正常是高电位,①脚对地短接时,若能听到继电器K的吸合声,说明开锁电路是正常的。

  楼宇门对讲系统,分立元件多、电路复杂,但有了原理图,维修就容易了。

  由于供电电压低,故障率并不高。电磁锁使用频繁,故易损坏。维修时,若能听到继电器K的吸合声,但电磁锁不动作,可认定电磁锁损坏。另外,由于震动的原因,主电路易发生开焊故障。

  若哪一部分电路不正常,首先应查供电部分。由于各部分接口标注清晰,把主板、按键板、话机摘下维修,一般容易排除故障。

  例1:ZD2击穿,无门铃声,但不知何故,按下开锁开关SB,却听不到K的吸合声,换新K后故障排除。

  例2:不能对讲。经查U2(TDA2822M)损坏,换新后不久又损坏,经查VCC电压为16V,高于TDA2822M的最大供电电压15V。最后查出是电源板的7812击穿,估计是过热损坏。将其换新并加大散热片,故障排除。

  例3:按下个别按键门铃不响,一般是按键的故障,换新后可排除故障。

上一篇:简约完美家具 满足4类自由舒适空间
下一篇:卫生间改造水电安装 卫生间改造水电安装注意事项
看过本文的人还看过